

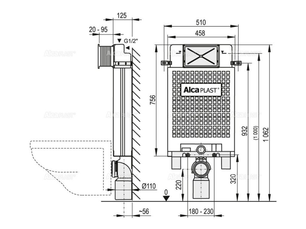
Pro montáž závěsného WC s připojovací roztečí 180 mm nebo 230 mm
Pro závěsné WC s objemem splachování 2/4 l
Pro zazdění a obezdění k nosné stěně - mokrý proces
Tento inovovaný předstěnový instalační systém ALCA s kódovým označením AM100/1000E Alcamodul nahrazuje modelovou řadu A100/1000 Alcamodul. Instalace těchto systému je nyní rychlejší a k jejich montáži vám nyní postačí pouze jeden klíč.
• Normy:
ČSN EN 14124, ČSN EN 14055
Technické parametry:
Doporučený rozsah tlaku vody 0,3 – 0,5 MPa
Funkční rozsah tlaku vody 0,05 – 0,8 MPa
Hygienická rezerva 2 l
Malé spláchnutí 2 – 4 l
Objem vody v nádržce 6 l
Připojení vody zezadu nebo shora montážními otvory G1/2 "
Standardní nastavení malého spláchnutí 2 l
Standardní nastavení velkého spláchnutí 4 l
Velké spláchnutí 3,5 – 6 l
Zátěžová zkouška 400 kg
• Vlastnosti
Duální splachování, nezávisle nastavitelné s hygienickou rezervou
Kompatibilní se všemi ovládacími tlačítky Alcaplast
Konstrukce polystyrenové izolace nádržky zjednodušuje zazdívání, zabraňuje rosení na povrchu nádržky a tlumí prostup vibrací z nádržky do stavební konstrukce
Kryt servisního otvoru zjednodušuje montáž a brání pronikání vlhkosti a nečistot
Materiál nosné konzoly: pozinkovaný kov
Montážní hloubka nastavitelná v rozmezí 20-95 mm
Montážní výška 1062 mm
Možnost vestavby oddáleného nebo senzorového splachování
Nádržka je vyrobena z jednoho kusu, čímž je zaručena 100% nepropustnost
Nosná konzola zaručuje vysokou tuhost připojení WC ke stěně
Nutné podezdění nebo použití noh M90
Posuvný mechanismus držáku odpadu v osmi polohách
Přívod vody zezadu/shora uprostřed
Rohový ventil s možností na napojení na potrubní systém Mepla
Rozměry a konstrukce konzoly zjednodušují instalaci systému
Servisní práce bez použití nářadí
Stavební hloubka 125 mm
Úsporné splachování - 2 l malé spláchnutí, 4 l velké spláchnutí
Doplňkové parametry
| Kategorie: | Podomítkové nádrže |
|---|---|
| Hmotnost: | 1 kg |
| EAN: | 8595580550554 |
-
Náhledová fotografie
-
Technický nákres
-
Technický nákres
-
AlcaPLAST - katalog a ceník náhradních dílů
-
AlcaPLAST - kompletní katalog
-
AlcaPLAST - kompletní ceník
-
AlcaPLAST - předstěnové instalační systémy
-
AlcaPLAST - podlahové žlaby
-
AlcaPLAST - venkovní odvodnění
-
AlcaPLAST - technický katalog
Hodnocení produktu
Buďte první, kdo napíše příspěvek k této položce.
Diskuze
Buďte první, kdo napíše příspěvek k této položce.
Alcadrain, součást Alca Group, je předním výrobcem sanitární techniky ve střední a východní Evropě. Tato společnost, dříve známá jako Alcaplast, nabízí široký sortiment vysoce kvalitních sanitárních produktů, včetně ventilů, sifonů, odvodňovacích systémů a WC sedátek. S více než 1000 produkty v portfoliu se Alcadrain neustále rozrůstá a získává uznání díky svým inovativním a designově atraktivním výrobkům prémiové značky Alca.
Alcadrain se pyšní svou spolehlivostí a bezporuchovostí. Každý výrobek je pečlivě testován na kvalitu v moderním výrobním závodě v Břeclavi, což zaručuje dlouhou životnost a funkčnost. Produkty této značky jsou ideální jak pro novostavby, tak pro rekonstrukce.
Jako součást Alca Group, která zahrnuje také FV Plast, největšího českého výrobce potrubních systémů, a Alcafix, specialistu na modulární systémy pro výstavbu a rekonstrukci koupelnových prostor a toalet, se Alcadrain zaměřuje na vytváření výrobků, které nejen splňují očekávání zákazníků, ale také přispívají k vyšší kvalitě života.
Cílem Alca Group je dodávat na trh spolehlivé a funkční produkty, které zvyšují komfort a kvalitu každodenního života.

Související produkty
Podobné produkty

